Einleitung
Für den Austausch von Informationen zwischen Computer und Bediener verwendet man Datensichtstationen. Insbesondere bei der Eingabe von (Übungs-)Programmen und bei der Überprüfung der Programmfunktionen sind sie sehr hilfreich. In Computersystemen kommen sie meist dann zur Anwendung, wenn Textinformationen angezeigt oder eingegeben werden müssen.
Eine Datensichtstation besteht aus den Funktionseinheiten Tastatur, Video-Interface und Monitor.
Der Monitor entspricht einem Fernsehgerät ohne Hf-Empfangsteil, da das im VideoInterface erzeugte Bildsignal (auch Video-Signal genannt) unmittelbar dem Monitor zugeführt wird. Bild 70 zeigt die Zusammenschaltung einer Datensichtstation mit einem Mikrocomputer.

Bild 70: Datensichtstation und Mikrocomputer
Jedes Betätigen einer Taste auf der Tastatur bewirkt, daß ein Zeichen von der DS-Station an den Mikrocomputer gesendet wird. Andererseits werden Zeichen die vom Mikrocomputer an die DS-Station gesendet werden, auf dem Bildschirm dargestellt. Für diesen Betrieb ist im Mikrocomputer ein Programm erforderlich, das im sogen. Betriebsprogramm enthalten ist.
Bildschirmaufbau
Für die Erzeugung von alphanumerischen Zeichen (Buchstaben und Zahlen) auf einem Bildschirm wird ein Verfahren angewendet, bei dem jedes Zeichen durch die Punkte eines Matrixrasters dargestellt wird. Standardgrößen für eine solche Matrix sind 5×7 oder 7×10 Punkte.

Bild 71: Die Zeichendarstellung im 5×7-Raster, hier für die Buchstaben Hund Z .
Die Schriftzeichen auf dem Bildschirm entstehen durch horizontale und vertikale Ablenkung eines Leuchtpunktes, der entsprechend den darzustellenden Zeichenpunkten hell oder dunkel gesteuert wird.
Die horizontale Ablenkung übernimmt ein Sägezahngenerator mit der Periode T1 von 64usec. Die vertikale Ablenkung erfolgt durch einen zweiten Sägezahngenerator mit der Periode T2 von 20msec (beide Generatoren befinden sich im Monitor). Innerhalb von einer Sekunde wird das gesamte Schriftfeld des Bildschirms 50mal dargestellt. Das Verhältnis der beiden Periodenzeiten T2/T1 ergibt die Zeilenzahl 312,5 des Monitorbildes. Bild 72 zeigt die Lage und Einteilung des Schriftfeldes auf dem Bildschirm.

Bild 72: Das Schriftbild auf dem Bildschirm, wie es beim MFA-Mikrocomputer aufgebaut ist.
Das gesamte Schriftfeld _besteht aus 16 Zeichenreihen mit maximal 64 Zeichen. Zwischenräume zwischen den Zeichen und den Zeichenreihen sorgen für eine gute Lesbarkeit.

Ein Zeichenblock besteht aus einem Raster von 8 x 12 Punkten . Für die Erzeugung eines solchen Blocks ist das Video-Interface verantwantlich:zur Vermeidung von Randunschärfen macht man das Schriftfeld kleiner als das Bildschirmfeld . Dazu wird im Bereich der Bildschirmränder der Leuchtpunkt dunkelgesteuert. Damit die einzelnen Zeichen und damit auch das gesamte Schriftfeld unverzerrt und ruhig auf dem Bildschirm erscheinen, muss das Video-Interface folgende Informationen an den Monitor
liefern:
- Synchronisier-Impulse, die dem Monitor anzeigen, dass ein neues Bild beginnen
soll. Durch diese Impulse wird der Leuchtpunkt dunkelgesteuert zur linken oberen
Bildecke geführt (Bildsynchronimpuls) - Synchronimpulse, die dem Monitor zeigen, dass eine neue Zeile beginnen soll. Hierdurch wird der Leuchtpunkt dunkelgesteuert zum nächsten Zeilenbeginn geführt (Zeilensynchronimpulse).
- die Information über die dunkel und hell zu steuernden Bildpunkte in einer Zeile.
Diese Informationen müssen entsprechend der Fernsehnorm (CCIR-Norm) in einem Signal dem Monitor zugeführt werden. Das Signal nennt man kurz BAS-Signal entsprechend den in ihm enthaltenen Informationen für Bild, Austastung (Dunkelsteuerung) und Synchronisierung. Bild 74 zeigt den Verlauf des Signals, das zur Darstellung der Punkte einer Zeichenzeile benötigt wird. Zwölf solcher »Signalpakete « werden zur Darstellung einer Zeichenreihe gebraucht, und 192 zur Darstellung des gesamten Zeichenfeldes.

Bild 74: Die Pegel des BAS-Fernsehsignals.
Die maximale Punkteanzahl pro Zeichenzeile, einschließlich der Zwischenräume, beträgt 64 x 8 = 512. Zur Darstellung dieser Punkte innerhalb von 40 μs benötigt man einen Punktgenerator mit einer Frequenz von 512/40 μs = 13 MHz.
Die Erzeugung des Punktsignals aus ASCII-Zeichen
Die Tastaturzeichen sind im ASCII-Code verschlüsselt. Die Umsetzung des ASCII-Codes in die 5×7-Punktdarstellung erfolgt in einem Zeichengenerator, einem für diese Aufgabe vorprogrammierten Lesespeicher (ROM). Er enthält für jedes ASCII- Zeichen jeweils in acht aufeinanderfolgenden Speicherzeilen die entsprechenden Bitmuster für die Punktdarstellung; siehe Bild 75.

Bild 75: Anschlüsse und Speicherbelegung (am Beispiel der Buchstaben A und B) des Zeichengenerators .
Die Adresse für das Punktmuster eines Zeichens setzt sich aus der Adresse des darzustellenden- Zeichens (Zeichenadresse) und der Adresse der aktuellen Reihe (Reihenadresse) innerhalb des Zeichens zusammen. Die Zeichenadresse ändert sich pro Bildschirmzeile 64mal. Die Reihenadresse wird jedesmal nach Ausgabe einer Punkt-Zeile geändert.
Blockschaltbild Videointerface
Blockschaltbild und Arbeitsweise des Video-Interfaces
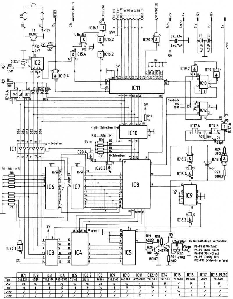
Bild 76 zeigt das Blockschaltbild des Video-Interfaces. Die Funktionsblöcke sind entsprechend ihrer Lage im Stromlaufplan Bild 77 angeordnet. An jedem Block sind die zugehörigen ICs oder Bauteile aufgeführt.

Bild 76: Das Blockschaltbild des Video-Interfaces
Stromlaufplan

Bild 77: Der Stromlaufplan des Video-Interfaces
UART und Tastatur
Ein von der ASCII-Tastatur parallel gesendetes Zeichen wird innerhalb des UART (Universeller asynchroner Sende-Empfangs-Baustein) über einen Parallel/Serien-Wandler in die serielle Form gewandelt, sodann mit Start-, Stopp- und Paritäts-Bits versehen und über den Ausgang SEROUT zur CPU gesendet.
Zeichen, die als serieller Datenstrom vom Mikrocomputer gesendet werden, gelangen dagegen über den Eingang SERIN zum Serien/Parallel-Wandler im UART. Dieser trennt die Start-, Stop- und Paritäts-Bits von den eigentlichen Daten-Bits und stellt das empfangene ASCII-Zeichen in paralleler Form auf dem internen Datenbus zur Verfügung.
Die Sende- und Empfangsgeschwindigkeit des UART wird durch Taktimpulse aus dem Baudraten-Teiler gesteuert. Die Frequenz der Taktimpulse muß dem 16fachen der Baudrate entsprechen (z.B. f = 19,2 kHz für 1200 Bd). Diese Taktimpulse werden entweder aus dem 2-MHz-CPU-Takt oder aus der Frequenz des 2-MHz-Oszillators durch entsprechende Teilung der Baudraten-Teiler gewonnen.
Wenn das ASCII-Zeichen »BEL« (07H, Klingel) empfangen wird, sorgt der Block »BEL« für eine akustische Meldung.
Bei der weiteren Verarbeitung wird das Bit 5 im empfangen ASCII-Zeichen ignoriert, da es lediglich der Unterscheidung zwischen Groß- und Kleinschreibung dient. Dadurch werden alle empfangenen Buchstaben als Großbuchstaben auf dem Bildschirm dargestellt. Über den freigegebenen Puffer gelangt das Zeichen nun in den Bildwiederholspeicher. Die Speicheradresse und das Signal »Zeichen einschreiben« (Write) in den Bildwiederholspeicher liefert der CRTC (Cathode Ray Tube Controller
= Elektronenstrahlröhren-Steuerbaustein). Eingeschrieben wird nur während des unsichtbaren Rücklaufs des Elektronenstrahls auf dem Bildschirm.
Bilderzeugung
Für die Bild-Erzeugung werden die abgespeicherten Zeichen ständig wiederkehrend aus dem Bildwiederholspeicher gelesen und über den Zeichen-Zwischenspeicher dem Zeichengenerator zugeführt, der die Zeichenumwandlung in das Punktmuster übernimmt. Dafür müssen ihm folgende Informationen zugeführt werden:
- die Adresse, unter der das Punktmuster des auszugebenden Zeichens steht (Zeichenadresse)
- die Adresse der aktuellen Punktreihe dieses Zeichens (Reihenadresse),
- ein Freigabesignal zur Ausgabe des Punktmusters
Die Zeichenadresse erhält der Zeichengenerator in Form des ASCII-Codes, dessen Bit 6 invertiert ist, vom Zeichen-Zwischenspeicher. Reihenadresse und Freigabe-Signal sendet der CRTC aus.
Bildwiederholspeicher
Vom Zeichengenerator gelangt die 5-Bit-Kombination der aktuellen Punktreihe des auszugebenden Zeichens an die parallelen Dateneingänge des 78-Bit-Schieberegisters. Mit einem Ladeimpuls, den der Teiler durch 8 aussendet, wird sie in das Schieberegister übernommen und Bit für Bit am seriellen Ausgang ausgegeben. Die Schiebeimpulse kommen vom Punktoszillator. Nach jeweils 8 Schiebetakten wird die 5-BitKombination des nächsten auszugebenden Zeichens vom Zeichengenerator übernommen. Eine Zeichenreihe ist dann vollständig ausgegeben, wenn alle 12 Zeilen vom Elektronenstrahl durchlaufen sind. Die Zwischenräume zwischen den einzelnen Zeichen werden dadurch erzeugt, dass drei der acht parallelen Dateneingänge (Datenbits 0, 6 und 7) auf Masse gelegt sind. Dies bewirkt eine Dunkelsteuerung der entsprechenden Punkte in der Punktreihe.
Videomischer
Im Video-Mischer wird die serielle Information aus dem Schieberegister mit Synchronimpulsen (Horizontal- ·und vertikal-Impulsen) versehen und auf Fernsehnormpegel gebracht. Diese Synchronimpulse werden innerhalb des CRTC durch Teilerketten aus dem 1-MHz-Signal erzeugt, das der Baudraten-Teiler liefert.
Steuerzeichen
Eine weitere Aufgabe des CRT-Controller ist die Steuerung und Anzeige der Schreibmarke (Cursor). Der Cursor zeigt diejenige Stelle auf dem Bildschirm an, an der das nächste empfangene Zeichen dargestellt wird. Von seiner Stellung hängt die Adresse des Bildwiederholspeichers ab, unter der das Zeichen gespeichert wird. Neben den normalen Textzeichen (Buchstaben, Ziffern) gibt es im ASCII-Code auch sogenannte Steuerzeichen, mit denen man z.B. den Cursor auf dem Bildschirm steuern oder den Bildwiederholspeicher löschen kann. Diese Steuerzeichen werden nicht im Bildwiederholspeicher abgelegt, sondern die ihnen entsprechenden Kommandos werden vom CRTC unmittelbar ausgeführt. Die Unterscheidung, ob es sich bei dem empfangenen Zeichen um ein Text- oder ein Steuerzeichen handelt, erfolgt über den Steuerzeichen-Decoder , ein für diese Aufgabe programmiertes PROM. Er liefert dem CRTC zu jedem empfangenen Zeichen ein 3-Bit-Steuerwort sowie ein Freigabesignal, sofern das Zeichen in den Bildwiederholspeicher übernommen werden darf. Die Übernahme dieses 3-Bit-Steuerwortes in den CRTC veranlasst der UART mit dem Signal »Zeichen von der Tastatur empfangen«.
Zeichengenerator

Bild 78: Die technischen Daten des Zeichengenerators R0-3-2513.
Technische Daten
Tastaturcontrollerbaustein UART AY-5-1013.
Die Anschlüsse des UART AY-5-1013 und ihre Funktion:







Anschluss an den Tastaturstecker

Controllerbaustein CRT 96364
Die Anschlüsse des Controllers CRT 96364 A und ihre Funktion:
| Pin | Bezeichnung | Symbol | Funktion |
|---|---|---|---|
| 1 2 | Quarz-Ein Quarz-Aus | X0 X1 | Pin 1 ist der Eingang für die Rechteckspannung zur Erzeugung der Taktimpulse. Sie kann über ein TTL-Gatter geliefert werden oder sie wird von einem Quarzgenerator intern erzeugt. Der Quarz ist an Pin 1 und 2 anzuschließen, parallel zu den Quarzanschlüssen ist ein 10-MHz-Widerstand zu schalten. Bei der 50-Hz-Netzfrequenz sollte die Quarzfrequenz 1,008 MHz betragen. |
| 3 | Seitenauswahl | PS | |
| 4-8 18-22 | Speicher-Adressen Leitungen | A5-A9 A0-A4 | Obere bzw. untere Adressleitungen. A6-A9 bestimmt die Textreihe (16), A0-A5 bestimmt die Zeichenposition (64). |
| 9 | Zeichenzähler-Eingang | DCC | Mit der fallen Flanke dieses Signals werden die Adressen geändert. |
| 10 | Punktzähler-Freigabe (Ausgang) | DCE | Mit dem L-Pegel an diesem Ausgang kann der Punktzähler gestoppt werden, um den Strahlrücklauf zu ermöglichen. |
| 11-13 | Reihenadresse | R0-R2 | Zwischenräume zwischen den Zeichenreihen werden dadurch erzeugt, dass R0-R2 auf L-Pegel gezogen werden. Die Reihenadressierung wird durch Ausgabe der Adressfolge 0-1-2-3-4-5-6-7-0-0-0-0 während der einzelnen Textreihen (1-16) erreicht. Mit R2 werden außerdem verschiedene Löschfunktionen gesteuert (Löschen von Zeichen, Restzeilen, Bildschirm). |
| 14 | Masse | GND | 0V-Anschluss |
| 15 | Cursor (Schreibmarke) | CRV | Gibt die Cursor-Position unterhalb der Zeichenreihe mit ca. 2 Hz Blinkintervall aus. |
| 16 | Datenübernahme-Impuls | /DS | Mit der steigenden Flanke des Signals an diesem Eingang wird das Steuerwort (C0-C2) in den Steuerwort-Decoder übernommen. |
| 17 | Schreiben | W | H-Pegel zeigt an, dass ein Speichereinschreibvorgang erlaubt ist. Einschreiben erfolgt nur während der. Zeit des Zeilenrücklaufs. Die Speicheradressleitungen enthalten dann die Adresse, auf die der Cursor zeigt. |
| 23-25 | Steuerwort-Eingänge | C0-C2 | Steuerworte siehe Tabelle |
| 26 | Zusammengesetztes Synchronisationssignal | CSYN | Enthält Horizontal- und Vertikalimpulse zur Synchronisation des Bildschirms. |
| 27 | Seitenende | /EOP | Wenn man mehr als eine Speicherseite benutzt, wird mit diesem Signal ein externer Seitenzähler hochgezählt. |
| 28 | Spannungsversorgung | Vcc | +5V, Betriebsspannung |
Steuerworte
| Bedeutung | C2 | C1 | C0 |
|---|---|---|---|
| Bildschirm löschen und Cursor nach oben links | 0 | 0 | 0 |
| Zeilenende löschen und Cursor zurück zum Zeilenanfang | 0 | 0 | 1 |
| Zeilenvorschub | 0 | 1 | 0 |
| NOP (no Operation) bzw. zur Unterdrückung nicht anzeigbarer Zeichen | 0 | 1 | 1 |
| Cursor ein Zeichen nach links | 1 | 0 | 0 |
| Löschen der Zeile in der der Cursor steht | 1 | 0 | 1 |
| Cursor eine Zeile nach oben | 1 | 1 | 0 |
| Normales Zeichen, Schreibposition ist erzeugt und Cursorposition ist um eins erhöht | 1 | 1 | 1 |
PIN-Belegung

Blockschaltbild

Timing-Diagramm

Steuersignal-PROM
HEX-Listing des PROMs 74S387 zur Erzeugung der Steuersignale

Logiktabelle
PROM-Umsetzung
- Q3 (VM Memory): Dient der Aktivierung eines Schreibvorganges in den Videospeicher
- Q0-Q2: Steuersignale an den CRT-Controller
- RD1-RD7: Adressen A0-A6 des PROM, entspricht (Steuer-)Zeichen
- RD8: Adresse (A7), permanent auf High (siehe IC10, Pin15)
| Adr ROM | RD 8 A7 | RD 7 A6 | RD 6 A5 | RD 5 A4 | RD 4 A3 | RD 3 A2 | RD 2 A1 | RD 1 A0 | MEM Q3 | C2 Q2 | C1 Q1 | C0 Q0 | Adr ohne RD8 |
|---|---|---|---|---|---|---|---|---|---|---|---|---|---|
| UART Pin 5 | UART Pin 6 | UART Pin 7 | UART Pin 8 | UART Pin 9 | UART Pin 10 | UART Pin 11 | UART Pin 12 | V-MEM R/W (NAND) | CRT Pin 25 | CRT Pin 24 | CRT Pin 23 | „ASCII“ Code | |
| 00 | 0 | 0 | 0 | 0 | 0 | 0 | 0 | 0 | 0 | 0 | 0 | 0 | 00 |
| … | 0 | 0 | 0 | 0 | .. | ||||||||
| 03 | 0 | 0 | 0 | 0 | 0 | 0 | 1 | 1 | 0 | 0 | 0 | 0 | 00 |
| 04 | 0 | 0 | 0 | 0 | 0 | 1 | 0 | 0 | 1 | 0 | 0 | 0 | 04 |
| … | 1 | 0 | 0 | 0 | .. | ||||||||
| 7F | 0 | 1 | 1 | 1 | 1 | 1 | 1 | 1 | 1 | 0 | 0 | 0 | 7F |
| – | – | – | – | – | – | – | – | – | – | – | – | – | |
| 80 | 1 | 0 | 0 | 0 | 0 | 0 | 0 | 0 | 0 | 0 | 1 | 1 | 00 |
| … | 0 | 0 | 1 | 1 | … | ||||||||
| 87 | 1 | 0 | 0 | 0 | 0 | 1 | 1 | 1 | 0 | 0 | 1 | 1 | 07 |
| 88 | 1 | 0 | 0 | 0 | 1 | 0 | 0 | 0 | 0 | 1 | 0 | 0 | 08 |
| 89 | 1 | 0 | 0 | 0 | 1 | 0 | 0 | 1 | 0 | 1 | 1 | 1 | 09 |
| 8A | 1 | 0 | 0 | 0 | 1 | 0 | 1 | 0 | 1 | 0 | 1 | 0 | 0A |
| 8B | 1 | 0 | 0 | 0 | 1 | 0 | 1 | 1 | 0 | 1 | 1 | 0 | 0B |
| 8C | 1 | 0 | 0 | 0 | 1 | 1 | 0 | 0 | 1 | 0 | 0 | 0 | 0C |
| 8D | 1 | 0 | 0 | 0 | 1 | 1 | 0 | 1 | 1 | 0 | 0 | 1 | 0D |
| 8E | 1 | 0 | 0 | 0 | 1 | 1 | 1 | 0 | 0 | 0 | 1 | 1 | 0E |
| 8F | 1 | 0 | 0 | 0 | 1 | 1 | 1 | 1 | 0 | 0 | 1 | 1 | 0F |
| 90 | 1 | 0 | 0 | 1 | 0 | 0 | 0 | 0 | 0 | 0 | 1 | 1 | 10 |
| … | 0 | 0 | 1 | 1 | … | ||||||||
| 99 | 1 | 0 | 0 | 1 | 1 | 0 | 0 | 1 | 0 | 0 | 1 | 1 | 19 |
| 9A | 1 | 0 | 0 | 1 | 1 | 0 | 1 | 0 | 1 | 1 | 0 | 1 | 1A |
| 9B | 1 | 0 | 0 | 1 | 1 | 0 | 1 | 1 | 0 | 0 | 1 | 0 | 1B |
| 9C | 1 | 0 | 0 | 1 | 1 | 1 | 0 | 0 | 0 | 0 | 0 | 0 | 1C |
| 9D | 1 | 0 | 0 | 1 | 1 | 1 | 0 | 1 | 0 | 0 | 0 | 1 | 1D |
| 9E | 1 | 0 | 0 | 1 | 1 | 1 | 1 | 0 | 0 | 0 | 1 | 1 | 1E |
| 9F | 1 | 0 | 0 | 1 | 1 | 1 | 1 | 1 | 0 | 0 | 1 | 1 | 1F |
| A0 | 1 | 0 | 1 | 0 | 0 | 0 | 0 | 0 | 1 | 1 | 1 | 1 | 20 |
| … | .. | ||||||||||||
| FE | 1 | 1 | 1 | 1 | 1 | 1 | 1 | 0 | 1 | 1 | 1 | 1 | 7E |
| FF | 1 | 1 | 1 | 1 | 1 | 1 | 1 | 1 | 0 | 0 | 1 | 1 | 7F |
Bestückungsplan Video-Interface

Jumpereinstellung
| Funktion | Lötbrücke | gesetzt | offen | |
|---|---|---|---|---|
| Takt | P1 | P1-P0 | P1-P2 | Takt über MFA-BUS |
| P1 | P1-P2 | P1-P0 | Interner Takt (aus Video 8.2-Karte) | |
| Baudrate | P5 | P5-P3 | P5-P4 | UART Baudrate 600 |
| P5 | P5-P4 | P5-P3 | UART Baudrate 1200 | |
| Parität | P6 – P7 | Paritätsbit | Keine Parität | |
| P6 – P8 | 1 Stopp-Bit | 2 Stopp-Bits | ||
| Anzahl Zeichen | P6 – P9 / P10 | P6-P9 P6-P10 | – | 5 Bit / Zeichen |
| P6-P9 | P6-P10 | 6 Bit / Zeichen | ||
| P6-10 | P6-P9 | 7 Bit / Zeichen | ||
| – | P6-P9 P6-P10 | 8 Bit / Zeichen | ||
| Parität | P6 – P11 | ungerade Parität | gerade Parität | |
| Betriebsart | P12 – P13 | Standard-Terminalbetrieb | lokales Echo (ohne MFA) | Im Standardbetrieb werden die Daten über den BUS zur CPU-(oder alternative) Baugruppe geleitet |

