Einleitung
Ein Mikrocomputer benötigt neben der Zentraleinheit (CPU) und den verschiedenen Speicherbaugruppen Ein- und Ausgabeeinheiten, über die der Austausch von Daten zwischen dem Prozessor und Geräten außerhalb des Mikrocomputer-Systems statt- findet. Die zu verarbeitenden Daten können dabei entweder seriell oder parallel übertragen werden.
Bei der seriellen Datenübertragung werden die Bits eines Datenwortes zeitlich nach- einander über eine Informationsleitung übertragen. Zur Übertragung jedes einzelnen Bits wird eine bestimmte Zeit, die Taktzeit T, benötigt. Bei 8-Bit-Mikroprozessoren haben die Datenworte eine Länge von 8 Bits, so daß ein Datenwort innerhalb von acht Takten übertragen werden kann.
Bei der parallelen Datenübertragung wird das gesamte Datenwort während eines Taktes über acht Informationsleitungen übertragen. Innerhalb von einer Taktzeit lassen sich daher acht Datenworte transportieren; die parallele Daten-Übertragung ist also schneller.

Bild 8: Das Prinzip der seriellen und der parallelen Datenübertragung.
Die Schaltung der 8-Bit-Parallel-Ausgabe-Baugruppe
Bild 9 zeigt das Blockschaltbild dieser Baugruppe. Sie besteht aus den Schaltungsteilen »Adreßvergleicher«, »Ausgabespeicher« und »Ausgabepuffer mit Anzeige«.

Bild 9: Blockschaltbild der Baugruppe »8-Bit-Parallel-Ausgabe«.
Ein Datenwort, das über die Buchsen B0 . . . B7 ausgegeben werden soll, schaltet der Mikrocomputer auf die Datenleitungen D0 … D7; es steht am Eingang des Ausgabe- speichers zur Verfügung.
Wenn das Signal »Ausgabe« erfolgt, übernimmt der Ausgabespeicher dieses Daten- wort und sendet es gleichzeitig über den Ausgabepuffer zu den Ausgangsbuchsen.
Das Signal »Ausgabe« liefert der Adressvergleicher, der folgende Aufgabe und Wirkung hat:
In einem Mikrocomputer-System sind häufig mehrere Ausgabebaugruppen vorhanden, über die verschiedene Anlagenteile und Geräte mit Daten versorgt werden müssen.
Damit jeder Anlagenteil nur die Daten erhält, die er zu seinem Betrieb braucht, werden die Ausgabespeicher der Reihe nach mit den entsprechenden Daten geladen. Erst wenn der Datenverkehr mit einer Ausgabebaugruppe beendet ist, wird die folgende bedient.
Zur Steuerung des Datentransports verwendet der Mikroprozessor das Signal IOW (IN/OUT Write = Eingabe/Ausgabe Schreiben) und die acht Adreßleitungen A0 bis A7. Der Adreßvergleicher steuert mit Hilfe dieser Signale den Ausgabespeicher.
Das Signal »Ausgabe« kommt nur dann zustande, wenn:
- das Steuersignal IOW L-Pegel führt, der Prozessor also Daten ausgeben will, und
- die Bitkombination der Adreßleitungen A0 … A7 mit der durch die Schalter
S1 … S8 eingestellten Bitkombination übereinstimmt, wenn also die Baugruppe adressiert ist.
Mit den acht Schaltern lassen sich 28 = 256 verschiedene Bitkombinationen oder Adressen einstellen. Diese Adressen nennt man auch »Port-Adressen« (port = Tor). Beim Einsatz mehrerer Ausgabebaugruppen müssen deren Portadressen verschieden sein.
Mit dem Pegel auf der Leitung OUT kann in einem Mikrocomputer-Demonstra- tionsmodell angezeigt werden, daß eine Ausgabebaugruppe angesprochen ist.
Bild 10 zeigt den Stromlaufplan der Baugruppe. Sie sollten ihn zu allen folgenden Erläuterungen mitbenutzen.

Bild 10: Der Stromlaufplan der 8-Bit-Parallel-Ausgabe.
Der Adressvergleicher

Bild 11: Der Stromlaufplan für den Adreßvergleiche
Der jeweilige Ausgang der beiden hintereinandergeschalteten 4-Bit-Vergleicher (A=B OUT) führt nur dann H-Pegel, wenn die folgenden beiden Bedingungen erfüllt sind:
- Der Eingang »A=B IN« muß H-Pegel führen,
- die logischen Signale der Eingänge A und B müssen paarweise gleich sein, also A0 = B0, A1 = B1 usw.
Zum Schreiben von Daten in eine Ausgabebaugruppe steuert der Mikroprozessor das Signal IOW auf L-Pegel und schaltet außerdem die Adresse der gewünschten Ausga- bebaugruppe auf die Adreßleitungen A0 … A7.
Das L-Signal von IOW wird vom Inverter IC1.3 invertiert, so daß der Eingang »A = B IN« des ICs3 H-Pegel erhält. Wenn nun die Pegel der vier Adressenpaare A0,B0 bis A3,B3 übereinstimmen, sind beide genannten Bedingungen erfüllt, und IC3 gibt an seinem Ausgang »A=B OUT« ein H-Signal ab. Hiermit wird der zweite 4-Bit-Vergleicher IC4 an seinem Eingang »A=B IN« angesteuert.
Sind nun auch die Pegel der vier Adressenpaare A4,B4 bis A7,B7 gleich, so erscheint am Ausgang »A=B OUT« von IC4 ebenfalls ein H-Signal. Es wird von ICl.2 invertiert und löst mit diesem L-Pegel die Übernahme eines Datenwortes in den Ausgabespeicher aus.
Die Widerstände R2 bis R9 (siehe Bild 11) erzeugen bei offenen Schaltern Sl bis S8 an
den Eingängen B0 bis B7 H-Pegel. Je nach Schalterstellung kann mit den Schaltern
eine Port-Adresse zwischen 00000000 (binär) und 11111111 (binär) eingestellt wer-
den, die dann mit der Adresse auf den Leitungen A0…A7 verglichen wird. Es
können also damit 2 = 256 verschiedene Ausgabebaugruppen eingesetzt werden. In 8
hexadezimaler Schreibweise liegen die Port-Adressen zwischen 00 und FF.
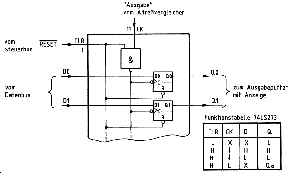
Der Ausgabespeicher
Bild 12 zeigt einen Ausschnitt aus der Innenschaltung des Ausgabespeichers und die zugehörige Funktionstabelle.

Bild 12: Der Ausgabespeicher und die Funktionstabelle des 74LS273.
Der Speicherbaustein 74LS273 enthält acht D-Flipflops. Die Vorbereitungseingänge dieser D-Flipflops D0 … D7 sind direkt mit den entsprechenden Datenbusleitungen verbunden. Signale, die an diesen Eingängen anliegen, werden von den Flipflops nur dann übernommen und zu den Ausgängen geleitet, wenn:
- der Löscheingang CLR (clear = löschen) auf H-Pegel liegt,
- und das Signal am Takteingang CK (clock = Takt) von L- auf H-Pegel springt.
Der L-H-Sprung an CK kommt zustande, wenn der Adressvergleicher das Signal »Ausgabe« abgibt, d. h. wenn die Baugruppe adressiert ist und IOW L-Pegel führt.
Der Löscheingang CLR liegt während des Normalbetriebs des Mikrocomputer-Sy- stems auf H-Pegel. Hier erscheint nur dann ein L-Impuls, wenn das MC-System eingeschaltet wird oder wenn der Benutzer des Systems durch Betätigen der Reset- Taste (reset = zurücksetzen) auf der CPU-Baugruppe den Mikroprozessor veranlaßt, sein Programm neu zu starten. Ohne Rücksicht auf die Pegel an den Eingängen D und CK werden dadurch die Q-Ausgänge aller D-Flipflops auf L-Pegel gebracht. Hier- durch wird verhindert, daß Geräte und Anlagenteile z.B. beim Einschalten des MC-Systems undefinierte Betriebszustände annehmen.
Der Ausgabepuffer mit Anzeige
Bild 13 zeigt diesen Schaltungsteil für eine Datenleitung. Insgesamt ist diese Schaltung achtmal auf der Baugruppe vorhanden.

Bild 13: Der Ausgabepuffer mit Anzeige.
Ein H-Pegel am Ausgang des D-Flipflops (Bild 6) bewirkt einen L-Pegel am Ausgang des Anzeigetreibers IC6.4 und H-Pegel am Ausgang des Inverters IC2.4 und damit an der Ausgangsbuchse B0.
Die LED D1 leuchtet und zeigt diesen H-Pegel an der Ausgangsbuchse an. Der Inverter IC2.4 ist ein Treiber mit offenem Kollektor und folgenden Grenzdaten:
UcE= 30V, Ic= 40mA
Der Widerstand R18 dient hier als interner Lastwiderstand für den Treiber. Beim Anschluß externer Lastwiderstände an die Ausgangsbuchsen muß darauf geachtet werden, daß ihre Widerstandswerte einen Mindestohmwert nicht unterschreiten.
Beim Anschluß ohm’scher Lastwiderstände und Versorgung mit 5 V (siehe Bild 14) errechnet sich der kleinste Widerstandswert zu:
R Lmin = 5V / 39 mA. => 128 Ohm
Bei Versorgungsspannungen Uvers., die größer als 5 V sind, müssen die entspre- chenden 4k7-Kollektorwiderstände auf der Baugruppe einseitig ausgelötet werden. Der kleinste Lastwiderstand errechnet sich dann aus:
R Lmin = Uvs / 40mA

Bild 14: Der Anschluß eines ohm’schen Lastwiderstandes.
Beim Anschluß von induktiven Lasten wie Relais und Spulen ist parallel zur Indukti- vität eine Freilaufdiode zu schalten:

Bild 15: Der Anschluß induktiver Verbraucher.
Der Einsatz galvanisch getrennter Leistungstreiber
Die 8-Bit-Parallel-Ausgabe-Baugruppe mit galvanisch getrennten Ausgängen ist für die Ansteuerung von Gleichstrom-Motoren, Relais, Lampen und Wegeventilen durch den Mikrocomputer vorgesehen.
Die extern an die Baugruppe anzuschließende Lastspannung kann Werte zwischen 7 V und 24 V besitzen (Gleichspannung). Der maximale Ausgangsstrom ist abhängig von der Anzahl der benutzten Ausgänge und liegt zwischen 0,5 A und 1 A.
Alle Ausgänge sind Gegentaktausgänge, wodurch auch Brückenschaltungen z.B. zur Ansteuerung von Gleichstrom-Motoren mit Richtungsumkehr und Bremsbetrieb möglich werden. Außerdem können die Ausgänge im Taktbetrieb mit einstellbarem Impuls/Pausen-Verhältnis betrieben werden, wodurch sich unterschiedlich hohe Ausgangsspannungen bei nur einer externen Lastspannung erzielen lassen.

Bild 16: Das Blockschaltbild der 8-Bit-Parallel-Ausgabe mit galvanischer Trennung und Einsatz von Leistungstreibern.
Bestückungsplan

Verdrahtungsplan
